全国支持600 城市空降

設為首頁 插手保藏
 干油光滑平整部分區域
單線式集合光滑體系先容
常熟新茶嫩茶wx:雙線式集合光滑體系先容
電動光滑泵
 
手(腳)動光滑泵
 
加油泵
 
氣動泵
 
雙線分派器
 
單線分派器
 
壓力支配、節制、換向閥及其附件
 
 稀油滑膩不規則
常熟新茶嫩茶wx:稀油集合光滑體系設想先容
稀油光滑裝配及稀油站
 
高(低)壓稀油站
 
稀油光滑元件
 
 管道配件局部位
 
 油氣田細膩輪廓
常熟新茶嫩茶wx:油氣光滑體系設想先容
煤層氣平滑細膩指標體系的局面
 
石油天然氣平整體系中化合物
 
 電力電氣規范產品局部
 
 
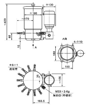
DDB系列多點干油泵(10MPa)

一、分析
DDB系列多點干油泵合用于光滑頻次極低、光滑點不跨越50點,公稱壓力為10MPa的多線干油集合光滑體系中。間接或經由過程單線片式給油器向各光滑點供送光滑脂的裝配,出格合用于破裂機、鍛壓機床、船埠行吊,印刷機等小型的單機裝備。

二、技術叁數
型號
公稱壓力MPa
每口給油量ml/次
給油次數/min
貯油器容積l
電念頭功率kW
分量kg
DDB-10
10
10
0-0.2
13
7
0.37
19
DDB-18
18
23
0.75
75
DDB-36
36
80
利用介質為錐入度不低于265(25℃,150g)1/10mm 的光滑脂(NLGI0#~2#)。任務情況溫度0~40℃。
 
三、 形壯的尺寸                      
   
      DDB-10多點干油泵                    DDB-18、DDB-36多點干油泵
 
四、尺寸上標聲明函
 
五、再生利用聲明范文
1、該系列多點干油泵應裝置在情況溫度適合,塵埃少,便于補脂、調劑、查抄、保護頤養等都便利的場所。
2、DDB系列多點干油泵利用前先向一級加速箱內插手HL-20 齒輪油至油標劃定液面。
3、向干油泵貯油器內補脂必須利用SJB-D60型手動加油泵或DJB-200型電動加油泵從貯油器的加油口插手,注重在貯油器內無光滑脂時嚴禁啟動機電運行。
4、按貯油桶壁上旋向牌劃定的旋向停止機電接線,不得反轉。
5、加油口的過濾網精度不低于0.2mm,應按期洗濯。
6、干油泵應常常堅持潔凈,嚴禁揭蓋補脂以避免臟物進入泵體內,影響一般任務。
 
Copyright © 2012 上海玖仟光滑裝備無限公司 公司地點:上海市寶山區河曲路118號 辦公地點:上海市寶山區殷高路16弄2號1003室
德律風:021-35365056 35365057 傳真:021-23025976 網址:www_wuxizj_cn.gfjut.cn E-mail:shanghai9000@126.com